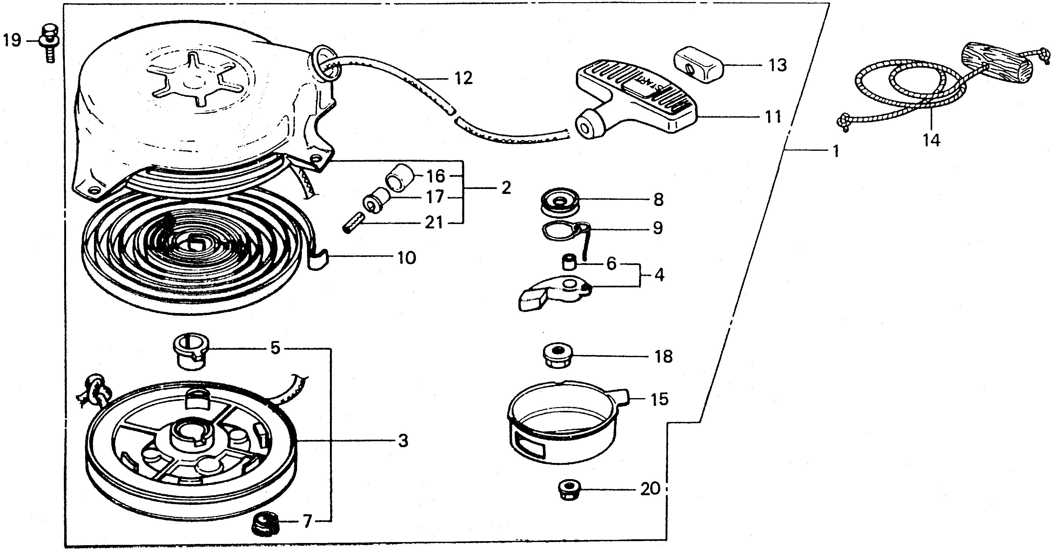
Lawn Mowers HRA HRA21 HRA21 SDAW HRA21-1000001-9999999 RECOIL STARTER - Lawnmower Corner

Ref No
Part Number
Description
Serial Range
Qty
Price

Ref No
1
Part Number
28400-888-040H
Description
STARTER ASSY., RECOIL *R8* (BRIGHT RED) (NOT AVAILABLE)
Serial Range
1000001 - 9999999

Ref No
2
Part Number
28410-888-030H
Description
CASE, STARTER (NOT AVAILABLE)
Serial Range
1000001 - 9999999

Ref No
3
Part Number
28420-889-010
Description
REEL, STARTER
Serial Range
1000001 - 9999999
Qty
Price
$35.14

Ref No
4
Part Number
28422-883-020
Description
RATCHET
Serial Range
1000001 - 9999999
Qty
Price
$8.42

Ref No
5
Part Number
28424-883-000
Description
BOSS, REEL
Serial Range
1000001 - 9999999
Qty
Price
$5.98

Ref No
6
Part Number
28425-889-300
Description
BUSH, RATCHET
Serial Range
1000001 - 9999999
Qty
Price
$4.90

Ref No
7
Part Number
28427-883-300
Description
BUSH, REEL STARTER (NA USE ALT:28400-883-505)
Serial Range
1000001 - 9999999

Ref No
8
Part Number
28432-883-000
Description
PLATE, FRICTION
Serial Range
1000001 - 9999999
Qty
Price
$5.48

Ref No
9
Part Number
28441-883-020
Description
SPRING, FRICTION
Serial Range
1000001 - 9999999
Qty
Price
$9.42

Ref No
10
Part Number
28442-883-000
Description
SPRING, RETURN
Serial Range
1000001 - 9999999
Qty
Price
$21.48

Ref No
11
Part Number
28461-883-000
Description
GRIP, STARTER
Serial Range
1000001 - 9999999
Qty
Price
$10.90

Ref No
12
Part Number
28462-888-000
Description
ROPE, STARTER
Serial Range
1000001 - 9999999

Ref No
13
Part Number
28463-883-000
Description
SUPPORT, GRIP
Serial Range
1000001 - 9999999

Ref No
14
Part Number
28470-816-000
Description
ROPE, STARTER
Serial Range
1000001 - 9999999
Qty
Price
$9.80

Ref No
15
Part Number
28474-883-010
Description
COVER, STARTER REEL
Serial Range
1000001 - 9999999

Ref No
16
Part Number
28476-888-300
Description
ROLLER, GUIDE (NOT AVAILABLE)
Serial Range
1000001 - 9999999

Ref No
17
Part Number
28477-888-300
Description
BUSH, ROLLER
Serial Range
1000001 - 9999999

Ref No
18
Part Number
90115-659-003
Description
NUT, SELF-LOCK (8MM) (CLINCH)
Serial Range
1000001 - 9999999
Qty
Price
$0.94

Ref No
19
Part Number
93401-06010-08
Description
BOLT-WASHER (6X10)
Serial Range
1000001 - 9999999
Qty
Price
$1.98

Ref No
19
Part Number
93481-06010-08
Description
BOLT-WASHER (6X10)
Serial Range
1000001 - 9999999

Ref No
20
Part Number
94050-05000
Description
NUT, FLANGE (5MM)
Serial Range
1000001 - 9999999
Qty
Price
$1.60

Ref No
21
Part Number
94305-30182
Description
PIN, SPRING (3X18)
Serial Range
1000001 - 9999999
Qty
Price
$1.54